VBPSE A
Односторонний гидрозамок типа «А» VBPSE A

Использование
Гидрозамок используют для удержания гидравлических двигателей в статическом положении под нагрузкой. Гидравлическая жидкость блокируется в полости гидродвигателя С2 при условии отсутствия давления в линии V1.
Монтаж
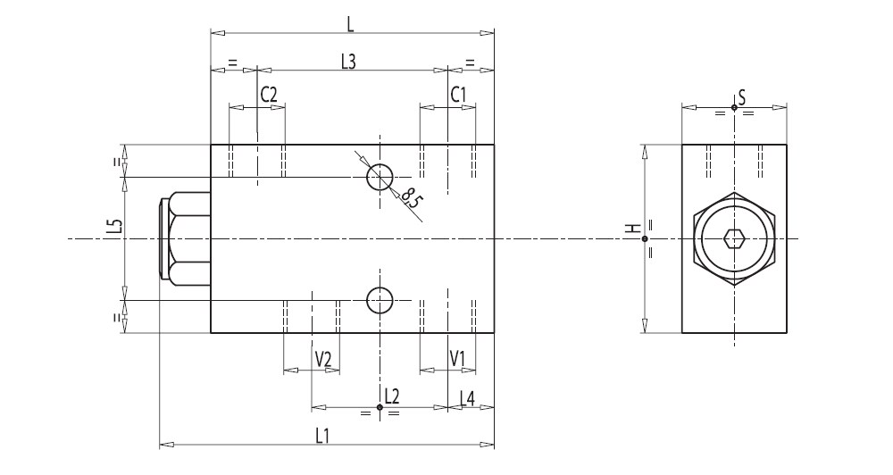
Присоедините V1 и V2 к рабочим линиям гидроспределителя, а С1 и С2 к гидродвигателю (С2 к блокируемой линии).
По запросу
- без уплотнения на управляющем поршне
- пружина на 1 бар
- пружина на 8 бар
| Параметры давления | Материалы и особенности | ||||||||
![]() |
|
||||||||
![]() |
Хараткеристики
| Линейный монтаж | Размеры | Расход макс. | Давление макс. |
| Противоположное соединение | l/min - л/мин | Bar/Бар | |
| VBPSE 1/4” A | G 1/4” | 20 | 350 |
| VBPSE 3/8” A | G 3/8” | 30 | 350 |
| VBPSE 1/2” A | G 1/2” | 55 | 350 |



