VBPSE FL
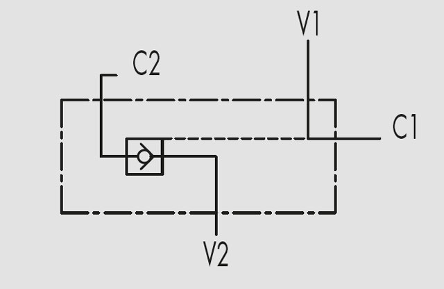
Односторонний фланцевый гидрозамок VBPSE FL 
Использование
Гидрозамок предназначен для удержания гидравлических двигателей в статическом положении под нагрузкой. Гидравлическая жидкость блокируется в полости гидродвигателя С2 при отсутствии давления в линии V1. Гидрозамок данного типа может быть установлен непосредственно на гидроцилиндр.
Монтаж
Присоедините V1 и V2 к рабочим линиям гидроспределителя, а С1 и С2 к гидродвигателю (С2 к блокируемой линии)
По запросу
- без уплотнения на управляющем поршне
| Параметры давления | Материалы и особенности | ||||||||
![]() |
|
||||||||
![]() |
Характеристики
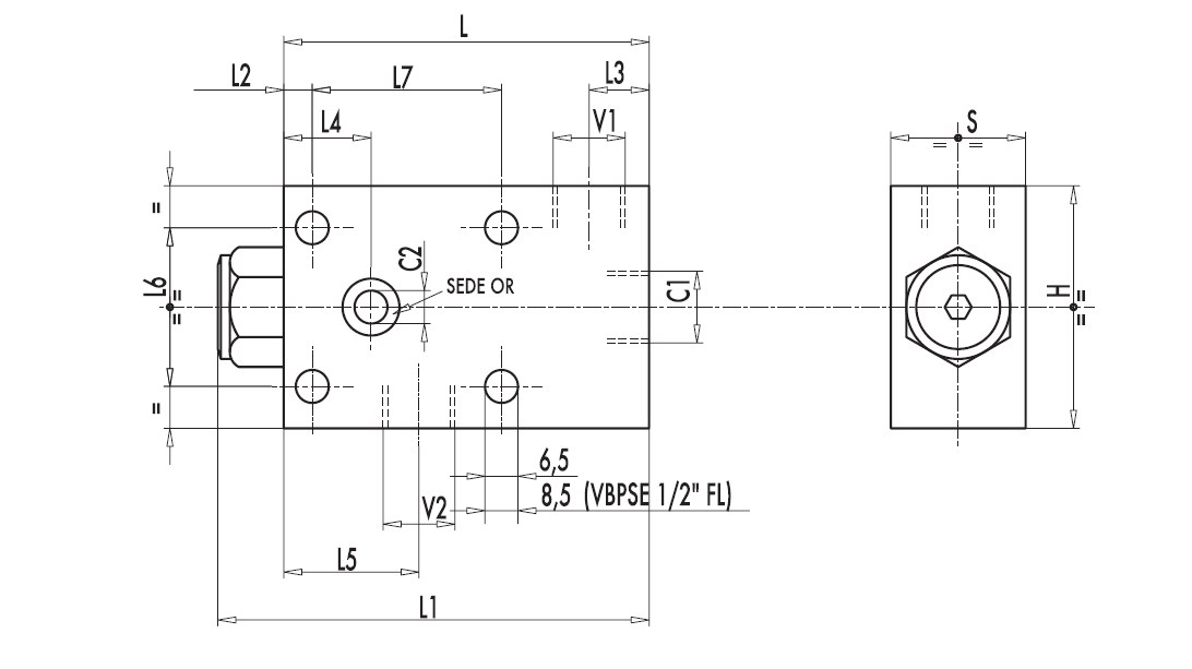
| Линейный монтаж | Размеры | Расход макс. | Давление макс. |
| Противоположное соединение | l/min - л/мин | Bar/Бар | |
| VBPSE 1/4” FL | G 1/4” | 20 | 350 |
|
VBPSE 3/8” FL
|
G 3/8” | 30 | 350 |
| VBPSE 1/2” FL | G 1/2” | 55 | 350 |



