Гидрозамок двухсторонний для монтажа на Banjo 12 мм (2353) VBPDE 2 CC

Использование
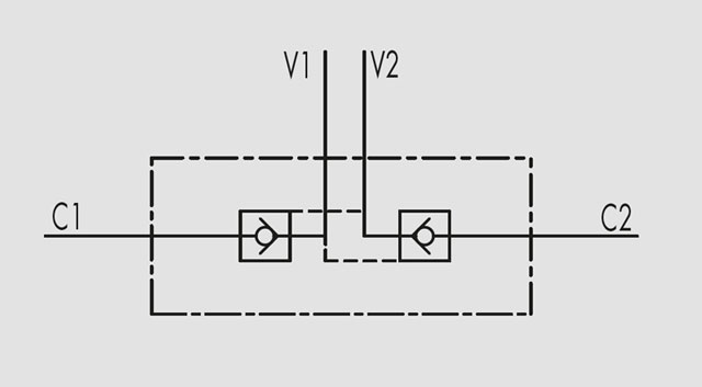
Клапан, используется для для удержания гидравлических двигателей в статическом положении под нагрузкой.
Гидравлическая жидкость блокируется в полостях гидродвигателей C1 и С2, при отсутствии давления в линии V1 и V2
Монтаж
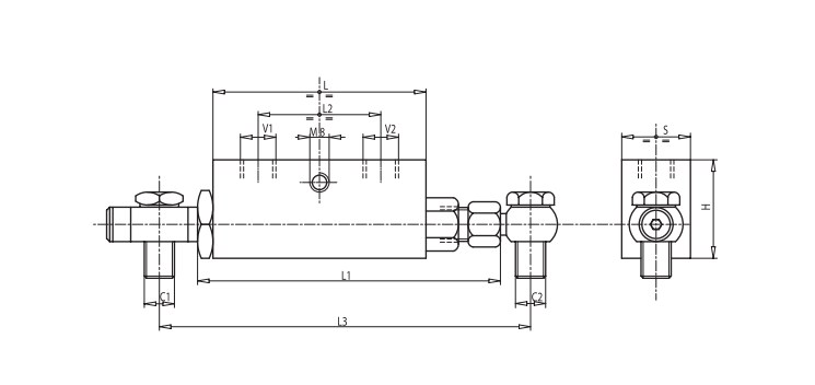
Присоедините V1 и V2 к рабочим линиям гидроспределителя, С1 и С2 к гидродвигателю (с помошью «banjo»).
По запросу
- Без уплотнения OR на регуляторе
- без гаек и врезных колец
- Пружина 1 Бар/Пружина 8 Бар
|
Параметры давленияpan |
Материалы и особенности |
 |
|
Корпус |
|
|
Внутренние компоненты |
закаленная сталь, шлифованная |
|
Уплотнения |
BUNA N стандарт |
|
Тип запорного элемента |
тарельчатый |
|
 |
|
Линейный монтаж |
Размеры |
Расход макс. |
Давление макс. |
|
Крепление DIN 2353 |
|
l/min - л/мин |
Bar/Бар |
|
VBPDE1/4”L2CEXC |
G 1/4” |
20 |
350 |
|
VBPDE3/8”L2CEXC |
G3/8” |
30 |
350 |
|
VBPDE1/4”L2CEXC–10L |
G1/4” |
20 |
350 |
|
VBPDE3/8”L2CC |
G3/8” |
35 |
350 |
|
VBPDE1/2”L2CC |
G 1/2” |
50 |
350 |
