Нереверсивные насосы 1P
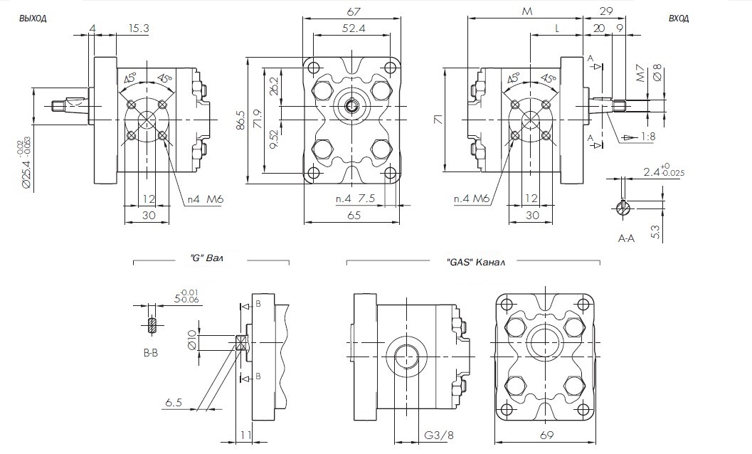
Стандартные каналы: М6 глубина резьбы 12 мм.
Варианты
"GAS": G 3/8 глубина резьбы 12 мм.
Резьба нарезается с обоих сторон корпуса
| ТИП | Рабочий объем | Подача при 1500 об/мин | Максимальное давление | Макс.скорость | Размеры | |||
| P1 | P2 | P3 | L | M | ||||
| 1P | см³/об | л/мин | бар | бар | бар | об/мин | мм | мм |
| D 1,6 | 1,1 | 1,6 | 230 | 250 | 270 | 6000 | 34 | 75 |
| D 2 | 1,3 | 2 | 230 | 250 | 270 | 6000 | 34,5 | 76 |
| D 2,5 | 1,6 | 2,4 | 230 | 250 | 270 | 6000 | 35 | 77 |
| D 3,3 | 2,1 | 3,2 | 230 | 250 | 270 | 6000 | 36 | 79 |
| D 4,2 | 2,7 | 4 | 230 | 250 | 270 | 6000 | 37 | 81 |
| D 5 | 3,2 | 4,8 | 210 | 230 | 250 | 5000 | 38 | 83 |
| D 5,8 | 3,7 | 5,6 | 210 | 230 | 250 | 4500 | 39 | 85 |
| D 6,7 | 4,2 | 6,4 | 210 | 230 | 250 | 4000 | 40 | 87 |
| D 7,5 | 4,8 | 7,2 | 190 | 210 | 230 | 3500 | 41 | 89 |
| D 9,2 | 5,8 | 8,7 | 190 | 210 | 230 | 3000 | 43 | 93 |
| D 11,5 | 8 | 11,9 | 160 | 180 | 200 | 2100 | 47 | 101 |


