Нереверсивные насосы КF1PG
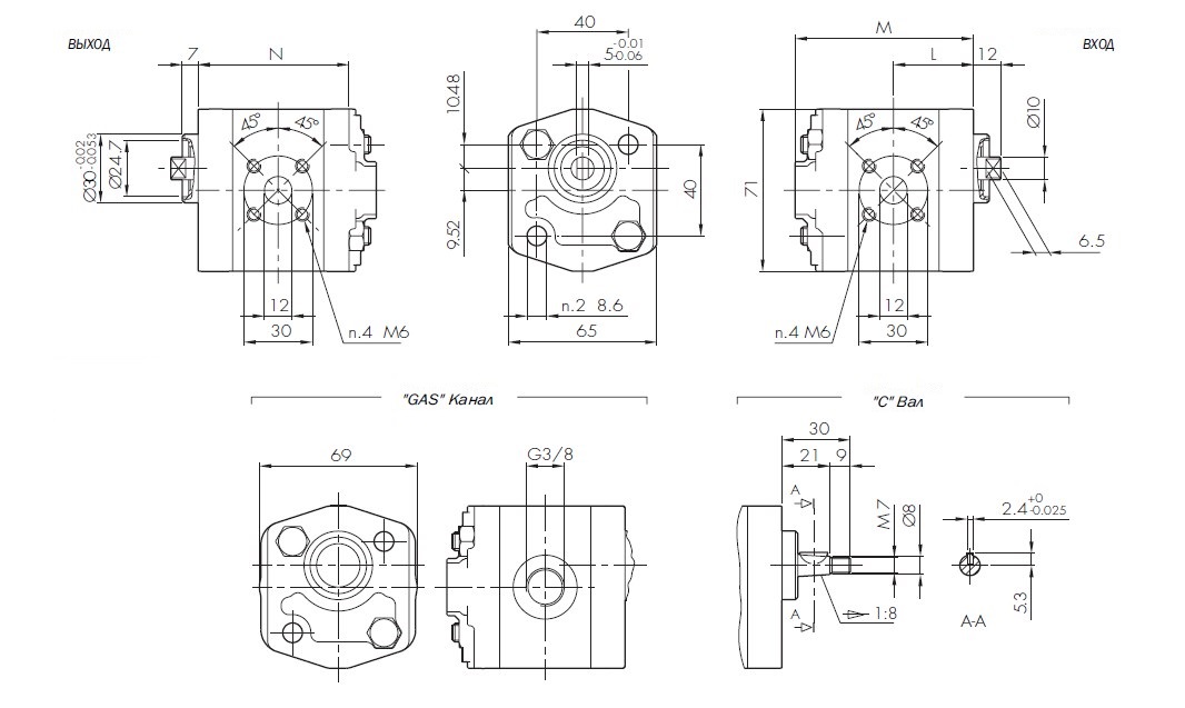
Стандартные каналы: М6 глубина резьбы 12 мм.
Монтаж насоса: двумя винтами М8 с моментом затяжки 23 + 2.4Нм.
"GAS": G 3/8 глубина резьбы 12. Резьба нарезана с обоих сторон корпуса.
По требованию, модель KF 1P доступна в версии "КА" (резьба в крышке: G3/8 во всасывающем канале G1/4 в нагнетательном).


| ТИП | Рабочий объем | Подача при 1500 об/мин | Максимальное давление | Макс. скорость | Размеры | ||||
| P1 | P2 | P3 | L | M | N | ||||
| см³/об | л/мин | бар | бар | бар | об/мин | мм | мм | - | |
| KF1PD1,6G | 1,1 | 1,6 | 230 | 250 | 270 | 6000 | 33 | 74 | 62 |
| KF1PD2G | 1,3 | 2 | 230 | 250 | 270 | 6000 | 33,5 | 75 | 63 |
| KF1PD2,5G | 1,6 | 2,4 | 230 | 250 | 270 | 6000 | 34 | 76 | 64 |
| KF1PD3,3G | 2,1 | 3,2 | 230 | 250 | 270 | 6000 | 35 | 78 | 66 |
| KF1PD4,2G | 2,7 | 4 | 230 | 250 | 270 | 6000 | 36 | 80 | 68 |
| KF1PD5G | 3,2 | 4,8 | 210 | 230 | 250 | 5000 | 37 | 82 | 70 |
| KF1PD5,8G | 3,7 | 5,6 | 210 | 230 | 250 | 4500 | 38 | 84 | 72 |
| KF1PD6,7G | 4,2 | 6,4 | 210 | 230 | 250 | 4000 | 39 | 86 | 74 |
| KF1PD7,5G | 4,8 | 7,2 | 190 | 210 | 230 | 3500 | 40 | 88 | 76 |
| KF1PD9,2G | 5,8 | 8,7 | 190 | 210 | 230 | 3000 | 42 | 92 | 80 |
| KF1PD11,5G | 8 | 11,9 | 160 | 180 | 200 | 2100 | 46 | 100 | 88 |
