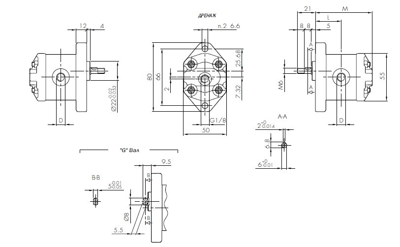
Реверсивные микронасосы 0.25R-0.5R

М10*1 глубина резьбы 9 мм.
G1/4 глубина резьбы 9 мм.
Дренажный канал (крышка): G1/8 глубина резьбы 8 мм.
| ТИП | Рабочий объем | Подача при 1500 об/мин | Максимальное давление | Макс. скорость | Размеры | ||||
| P1 | P2 | P3 | M | L | D | ||||
| см³/об | л/мин | бар | бар | бар | об/мин | мм | мм | - | |
| 0.25R18 | 0,19 | 0,29 | 150 | 170 | 190 | 7000 | 54 | 24 | M10x1 |
| 0.25R24 | 0,26 | 0,38 | 150 | 170 | 190 | 7000 | 55 | 24,5 | M10x1 |
| 0.25R30 | 0,32 | 0,48 | 150 | 170 | 190 | 7000 | 56 | 25 | M10x1 |
| 0.25R36 | 0,38 | 0,58 | 150 | 170 | 190 | 7000 | 57 | 25,5 | M10x1 |
| 0.25R48 | 0,51 | 0,77 | 150 | 170 | 190 | 7000 | 59 | 26,5 | M10x1 |
| 0.25R60 | 0,64 | 0,96 | 150 | 170 | 190 | 7000 | 61 | 27,5 | M10x1 |
| 0.5R0,50 | 0,5 | 0,75 | 150 | 170 | 190 | 7000 | 63 | 28,5 | G1/4 |
| 0.5R0,75 | 0,63 | 0,94 | 150 | 170 | 190 | 7000 | 64 | 29 | G1/4 |
| 0.5R1,00 | 0,88 | 1,31 | 150 | 170 | 190 | 7000 | 66 | 30 | G1/4 |
| 0.5R1,30 | 1 | 1,5 | 150 | 170 | 190 | 6000 | 67 | 30,5 | G1/4 |
| 0.5R1,60 | 1,25 | 1,88 | 150 | 170 | 190 | 5000 | 69 | 31,5 | G1/4 |
| 0.5R2,00 | 1,5 | 2,25 | 150 | 170 | 190 | 4000 | 71 | 32,5 | G1/4 |


