Нереверсивные микронасосы U0.25-0.5

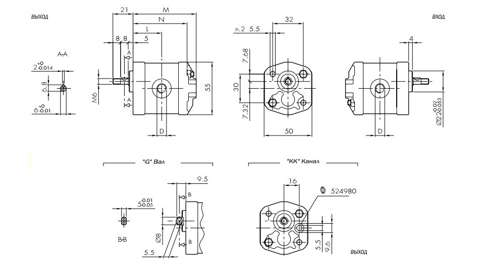
М10*1 глубина резьбы 9 мм.
G1/4 глубина резьбы 9 мм.
Монтаж насоса: двумя винтами 2М5 с моментом затяжки 5.4 + 0.5Нм
Варианты
"КК": размеры входных и выходных каналов D на корпусе совпадают с размерами D в стандартной версии
| ТИП | Рабочий объем | Подача при 1500 об/мин | Максимальное давление | Макс.скорость | Размеры | |||||
| P1 | P2 | P3 | M | N | L | D | ||||
| см³/об | л/мин | бар | бар | бар | об/мин | мм | мм | мм | ||
| U0.25D18 | 0,19 | 0,29 | 190 | 210 | 230 | 7000 | 54 | 45 | 24 | M10x1 |
| U0.25D24 | 0,26 | 0,38 | 190 | 210 | 230 | 7000 | 55 | 46 | 25 | M10x1 |
| U0.25D30 | 0,32 | 0,48 | 190 | 210 | 230 | 7000 | 56 | 47 | 25 | M10x1 |
| U0.25D36 | 0,38 | 0,58 | 190 | 210 | 230 | 7000 | 57 | 48 | 26 | M10x1 |
| U0.25D48 | 0,51 | 0,77 | 190 | 210 | 230 | 7000 | 59 | 50 | 27 | M10x1 |
| U0.25D60 | 0,64 | 0,96 | 190 | 210 | 230 | 7000 | 61 | 52 | 28 | M10x1 |
| U0.5D0,50 | 0,5 | 0,75 | 190 | 210 | 230 | 7000 | 63 | 54 | 29 | G1/4 |
| U0.5D0,75 | 0,63 | 0,94 | 190 | 210 | 230 | 7000 | 64 | 55 | 29 | G1/4 |
| U0.5D1,00 | 0,88 | 1,31 | 190 | 210 | 230 | 7000 | 66 | 57 | 30 | G1/4 |
| U0.5D1,30 | 1 | 1,5 | 190 | 210 | 230 | 6000 | 67 | 58 | 31 | G1/4 |
| U0.5D1,60 | 1,25 | 1,88 | 190 | 210 | 230 | 5000 | 69 | 60 | 32 | G1/4 |
| U0.5D2,00 | 1,5 | 2,25 | 190 | 210 | 230 | 4000 | 71 | 62 | 33 | G1/4 |


