Нереверсивные микронасосы UК0.25-0.5
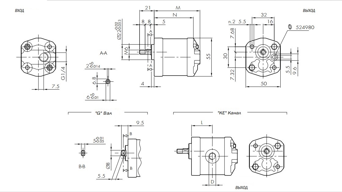
Крышка: G1/4 глубина резьбы 12 мм.
Монтаж насоса: двумя винтами М5 с моментом затяжки 5.4 + 0.5Нм
Варианты
"KE": M10*1 глубина резьбы 9 мм.
G1/4 глубина резьбы 9 мм.
| ТИП | Рабочий объем | Подача при 1500 об/мин | Максимальное давление | Макс.скорость | Размеры | |||||
| P1 | P2 | P3 | M | N | L | D | ||||
| см³/об | л/мин | бар | бар | бар | об/мин | мм | мм | мм | ||
| UK0.25D18 | 0,19 | 0,29 | 190 | 210 | 230 | 7000 | 54 | 44,5 | 24 | M10x1 |
| UK0.25D24 | 0,26 | 0,38 | 190 | 210 | 230 | 7000 | 55 | 45,5 | 24,5 | M10x1 |
| UK0.25D30 | 0,32 | 0,48 | 190 | 210 | 230 | 7000 | 56 | 46,5 | 25 | M10x1 |
| UK0.25D36 | 0,38 | 0,58 | 190 | 210 | 230 | 7000 | 57 | 47,5 | 25,5 | M10x1 |
| UK0.25D48 | 0,51 | 0,77 | 190 | 210 | 230 | 7000 | 59 | 49,5 | 26,5 | M10x1 |
| UK0.25D60 | 0,64 | 0,96 | 190 | 210 | 230 | 7000 | 61 | 51,5 | 27,5 | M10x1 |
| UK0.5D0,50 | 0,5 | 0,75 | 190 | 210 | 230 | 7000 | 63 | 53,5 | 28,5 | G1/4 |
| UK0.5D0,75 | 0,63 | 0,94 | 190 | 210 | 230 | 7000 | 64 | 54,5 | 29 | G1/4 |
| UK0.5D1,00 | 0,88 | 1,31 | 190 | 210 | 230 | 7000 | 66 | 56,5 | 30 | G1/4 |
| UK0.5D1,30 | 1 | 1,5 | 190 | 210 | 230 | 6000 | 67 | 57,5 | 30,5 | G1/4 |
| UK0.5D1,60 | 1,25 | 1,88 | 190 | 210 | 230 | 5000 | 69 | 59,5 | 31,5 | G1/4 |
| UK0.5D2,00 | 1,5 | 2,25 | 190 | 210 | 230 | 4000 | 71 | 61,5 | 32,5 | G1/4 |


